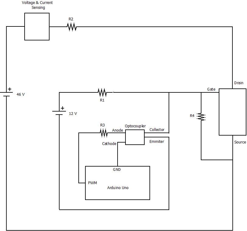
MOSFET Switching Ripple Reduction – Smoother Power for Your Circuits
When using MOSFETs in high-speed switching applications like buck converters or motor drivers, switching ripple is a common problem. It shows up as voltage spikes, noise, or unstable outputs—all of which can damage sensitive components or reduce efficiency.
🔍 The Problem: High-Frequency Ripple & EMI
MOSFETs switch on and off in microseconds. This sudden change creates voltage ripple and electromagnetic interference (EMI), especially if layout and filtering are ignored. These ripples can sneak into power rails, causing flickering LEDs or noisy sensors.
✅ The Solution: Snubbers, Gate Resistors, and Capacitors
To reduce ripple:
Add a gate resistor (typically 10–100Ω) to slow down switching speed.
Use a snubber circuit (RC or RCD across drain and source) to suppress voltage spikes.
Place low-ESR ceramic capacitors near the MOSFET for local filtering.
These small changes make a big impact on reliability and noise performance.
🔧 Practical Example
Say you’re using an N-channel MOSFET to switch a 12V LED strip. Without a gate resistor, switching ripple causes visible flicker. Adding a 47Ω gate resistor and a 100nF ceramic capacitor near the drain smooths the transitions and eliminates flicker.
🧮 Sample Calculation
Gate resistor power loss is minimal:
P = V² / R = (5V)² / 47Ω ≈ 0.53W (during switching only, so thermal load is low)
🛍️ Product Suggestions
- Shop now at SmartXProKits.in
Support our work and India’s innovation—buy from our Make in India site!
















